【导读】正至负转换 (反相输出) 广泛地使用在 LCD 器件、OLED 显示器、音频放大器、工业机械、半导体制造工艺控制设备、测量工具、测试系统、LED 驱动器和电池充电器中。许多此类应用需要高功率级和扩展的输入电压范围,而这正是 LTC3896 正至负控制器的两个固有特性。这款控制器因其能够处理非常高的输入和输出电压 (总电压应力可达 150V)、能够驱动标准级 MOSFET 并具有 40μA (在停机模式中则为 10μA) 的低工作静态电流而特别适合汽车应用。
宽的 7V~72V 输入至 –12V/5A 输出
图 1 示出了一款基于 LTC3896 的正至负转换器。该解决方案从一个 7V 至 72V 输入电压范围提供 –12V/5A 输出。在汽车市场中,LTC3896 处理高输入电压的能力免除了增设庞大和昂贵电压抑制器的需要,而低的最小输入电压即使在冷车发动情况下也能保持敏感系统正常运行。

图 1:–12V 输出转换器 (U1) 在 7V 至 72V 输入电压范围内提供 5A 至负载。注意控制信号 RUN、PGOOD 和 PLLIN 是参考于 GND
该转换器的功率链由 MOSFET Q1、Q2 和电感器 L1 组成。输出滤波器基于陶瓷电容器
U1 的
引脚连接至 GND,在该引脚上产生一个 12V 电位 (相对于
)。如果需要一个电源良好信号,则应使用一个参考于 GND 的外部电压源。LTC3896 的控制和接口信号 (包括 RUN、PGOOD 和 PLLIN) 参考于系统 GND,以免除在处理器控制型系统中增设电平移位器之需。
在产品手册 [1] 中详细说明了计算 LTC3896 周围组件之电压和电流应力的指引。对于基本评估,可采用下面的公式来计算占空比 (D)、平均电感器电流
和 MOSFET 电压应力

演示电路 DC2447A [2] 说明了 LTC3896 的通用性。设计师能测试该控制器的众多功能,包括同步至一个外部时钟、使用一个外部线性稳压器来减小高输出电压条件下 IC 上热应力的能力、以及用于产生 –5V 或 –3.3V 输出的简易型解决方案。
图 2 示出了各种不同输入电压下的效率。图 3 给出了转换器处于工作状态时的热像图。

图 2:图 1 所示电路的效率曲线。输出电压为 –12V,最大负载电流为 5A。

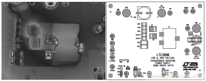
图 3:DC2447A 的热像图是在 36V 输入电压、–12V/5A 输出条件下拍摄的。在右侧给出的是该演示板的装配图。
结论
LTC3896 是一款高度集成的控制器,专为正至负转换而设计。基于该控制器的解决方案具有高效率和极低的静态电流,这一点对于电池供电式系统是很重要。另外,这款器件还高度通用,拥有可编程频率、150V 的宽输入电压范围和至 –60V 的输出电压。它利用参考于主机地的控制信号简化了汽车和工业电源的设计。
推荐阅读:




