【导读】在智能手机、物联网设备高度集成化的今天,芯片的精细化分工成为提升系统性能的关键。然而,不同功能的芯片常因命名近似引发混淆——例如力芯微的ET6416(I²C GPIO扩展芯片)与德州仪器(TI)的TPS25xxx系列(电源保护/管理芯片)。尽管名称相似,二者在功能定位、技术路径与应用场景上存在本质差异。本文将基于官方资料与设计实践,对这两类芯片展开系统性对比,为工程师选型提供清晰指引。
在智能手机、物联网设备高度集成化的今天,芯片的精细化分工成为提升系统性能的关键。然而,不同功能的芯片常因命名近似引发混淆——例如力芯微的ET6416(I²C GPIO扩展芯片)与德州仪器(TI)的TPS25xxx系列(电源保护/管理芯片)。尽管名称相似,二者在功能定位、技术路径与应用场景上存在本质差异。本文将基于官方资料与设计实践,对这两类芯片展开系统性对比,为工程师选型提供清晰指引。
一、核心定位:解决不同层级的系统难题
两款芯片虽名称接近,但设计目标迥异,直指电子设备开发中的两大核心需求:
●力芯微ET6416:接口资源扩展专家
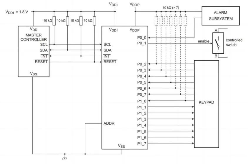
面向折叠屏手机、多传感器设备中GPIO资源紧张的痛点而生。通过I²C总线扩展出16路可编程GPIO,支持1.65V–5.5V宽电压电平转换,将铰链区域数十条排线精简为2–4条总线,节省布线空间超40%。其静态电流低至1μA@3.3V,以3mm×3mm微型封装嵌入空间受限区域(如手机铰链、副屏),成为小米、OPPO等折叠屏设备的“隐形管家”2。
●德州仪器TPS25xxx:高可靠电源保护卫士
以TPS25946为代表,定位为电子保险丝(eFuse)与负载开关。在23V宽输入电压范围内提供5.5A双向电流管理,集成过压保护(响应时间1.2μs)、过流保护(阈值0.5A–6A可调)及短路保护(响应500ns)。凭借28.3mΩ超低导通电阻与QFN 2mm×2mm封装,成为USB OTG、无线充电器等易受电源冲击场景的“安全闸门”45。
设计启示:ET6416优化信号互联,TPS25xxx保障电力传输——二者在系统中实为互补关系而非竞品。
二、技术架构:数字接口扩展 vs 模拟电源管理
芯片内部架构直接决定其能力边界,两类芯片在技术实现上呈现鲜明对比:
ET6416:I²C总线驱动的数字接口中继器
●总线扩展能力:基于I²C Fast-Mode(400kHz)协议,通过2个独立地址支持多设备级联;
●端口灵活性:16路GPIO可独立配置输入/输出模式,支持25mA驱动电流,可直接驱动LED;
●低功耗设计:1.5μA超低静态电流,适用于电池供电设备2。
管脚定义


TPS25946:模拟电路主导的智能保护枢纽
●多级保护机制:
●过压响应:通过外部电容调节OVLO阈值,1.2μs切断输出;
●过流抑制:有源限流技术抑制浪涌,配合消隐定时器区分瞬态/持续过载;
●双向电流管理:集成背靠背MOSFET,导通时支持双向供电(USB OTG关键特性),关断时阻断反向电流;
●可监测性:提供负载电流监控引脚(ILM)与电源良好信号(PG),实现系统级诊断45。
三、关键参数对比:性能指标的差异化巅峰
下表从工程角度提炼两款芯片的核心参数差异:

工程提示:ET6416的25mA驱动能力适合传感器控制,而TPS25946的5.5A电流覆盖快充与电机驱动等功率场景。
四、应用场景:折叠屏革新 vs 电源安全革命
两类芯片因技术特性差异,在终端应用中形成明确分工:
●ET6416的主战场:空间与接口受限的系统
●折叠屏手机:解决双屏+铰链传感器带来的GPIO资源枯竭问题,减少FPC排线数量;
●穿戴设备:在微型PCB上扩展按键、传感器接口;
●工业控制:集中管理分布式IO模块,降低主控复杂度2。
典型应用

●TPS25946的守护领域:电力环境严苛的场景
●USB PD/快充:防止插拔浪涌损坏Type-C控制器;
●电池供电设备:在短路时切断回路避免热失控;
●车用电子:耐受发动机启停导致的电压抖动45。
五、国产替代的突破点与挑战
力芯微ET6416的推出,展现了国产芯片在细分功能赛道的突破能力:
●优势:
●更贴近本土客户需求(如折叠屏手机密集部署);
●性价比显著,在消费电子中加速替代NXP PCA95xx等国际型号;
●挑战:
●车规/工业级认证布局滞后于TI;
●复杂模拟芯片(如TPS25946)的设计积累仍待加强。
而TI凭借TPS25xxx系列在电源保护领域的“全覆盖”策略(从1A到6A多型号布局),持续主导高端市场,但其价格与交期成为国产替代的窗口机会45。
结语:分工协作方能成就系统级创新
力芯微ET6416与德州仪器TPS25xxx系列代表了电子系统设计中两大关键维度:信号链扩展与电源链保护。二者在功能上并无重叠,却在同一台设备中可能协同工作——例如一部折叠屏手机中,ET6416负责铰链传感器信号调度,而TPS25946则守护其USB-C接口的电力安全。
对工程师而言,清晰识别芯片的核心定位至关重要:
●选ET6416时:聚焦接口扩展数量、电压兼容性及功耗;
●选TPS25946时:关注电压/电流范围、保护响应速度及认证要求。
在国产芯片崛起的浪潮下,力芯微等企业已在GPIO扩展器等数字领域站稳脚跟,而电源管理等高壁垒模拟芯片的自主化之路,仍需技术沉淀与生态协同并重前行。
推荐阅读:




